Esta nota es presentada por
La inyección Diesel “Common rail”
VISTAS 14427
La inyección Diesel “Common rail”
Bugatti Carlos – Metz JP©
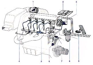
Motor V8 Power Stroke Diesel de 350 CV de potencia OHV de 32 válvulas (4 por cilindro) – Ford.
Continuando con el filtro de combustible, y más específicamente con el filtrado de partículas, es muy importante montar un filtro de gasoil adecuado al sistema de inyección.
El uso de filtros no adecuados trae consecuencias graves en el mejor de los casos y puede acarrear consecuencias muy costosas en casos extremos. Es sabido que el gasoil tiene un mayor nivel de impurezas que la nafta/gasolina; y es debido a esto y a las presiones de inyección, que son más altas en la inyección Diesel, que estos sistemas precisan una mayor protección contra el desgaste.
Vale puntualizar que las exigencias relacionadas con el nivel de filtrado se han incrementado en los últimos años, debido a la introducción de los sistemas “Common rail”, e “Inyector/bomba”, perfeccionados para los automóviles y los vehículos de transporte de carga y de pasajeros.
Para los nuevos sistemas, de acuerdo al tipo de utilización (condiciones de servicio, contaminación del gasoil, período fuera de servicio del motor), se necesita una alta capacidad de decantación de las partículas, y se exige una mayor acumulación de las partículas a causa de los prolongados períodos de mantenimiento, de los nuevos vehículos.
Respecto de la separación del agua, sabemos que es la segunda función principal del filtro de gasoil. Se trata de la separación del agua emulsionada, y el agua que está libre en el gasoil, para evitar problemas de oxidación.
Esto es muy importante para los sistemas “Common rail”, y para las bombas distribuidoras de inyección.
El filtro principal de gasoil es montado por lo general en el circuito de baja presión, entre la bomba eléctrica de gasoil y la bomba de alta presión, en el cofre motor. Está la posibilidad de montar más de un filtro. La conexión en paralelo genera una mayor capacidad de acumulación de partículas, mientras que la conexión en serie aumenta el grado de decantación.
Volviendo a la separación del agua, esta se efectúa por medio de un separador, que no es otro que el elemento filtrante y actúa por medio de un “efecto repelente”, que es la formación de gotas debido a la diferente tensión superficial existente entre el agua y el combustible. El agua que se separa se acumula en la cámara de agua que hay en la parte inferior del cuerpo del filtro. 
Sistema “Common rail” para vehículos comerciales con bomba de alta presión – Bosch. 1. Depósito de gasoil. 2. Filtro previo. 3. Filtro de gasoil. 4.Bomba de engranajes de alimentación previa. 5.Bomba de alta presión. 6. Unidad de alta presión. 7. Sensor de presión del “Common rail”. 8. “Common rail”. 9.Válvula limitadora de presión. 10. Inyector.
Sistema básico de inyección “Common rail” en un motor Diesel de 4 cilindros – Bosch. 1. Medidor de masa de aire de película caliente 2. Unidad de control del motor 3.Bomba de alta presión 4.Acumulador de alta presión “Common rail” 5. Inyector 6. Sensor del régimen del cigüeñal 7.Sensor de temperatura del motor 8.Filtro de gasoil 9.Sensor del pedal acelerador

Filtro intercambiable de gasoil con elemento filtrante plegable en forma de estrella. Filtro de gasoil con separador de agua – Bosch. 1. Entrada. 2. Salida. 3. Elemento filtrante. 4.Tornillo de vaciado de agua. 5. Tapa. 6. Cuerpo. 7.Tubo de apoyo. 8.Acumulador de agua.
Para el control del nivel de agua se usan por ejemplo sensores de con ductibilidad, y la purga de agua se realiza en forma manual.
En lo referente a los componentes de la parte de alta presión del sistema “Common rail”, se divide en tres sectores que son:
• Generación de presión
• Acumulación de presión
• Dosificación del gasoil
La bomba de alta presión genera presión elevada. La acumulación de la presión se da en el “Common rail” o en el conducto común, en el cual se encuentra el sensor de presión y la válvula reguladora o limitadora de presión. Los inyectores garantizan una óptima inyección en tiempos y volúmenes inyectados de gasoil.
Las diferentes características de las distintas generaciones de los sistemas “Common rail” están en los modelos, en las versiones de las bombas de alta presión, y de los inyectores, por ejemplo:
Tercera generación para automóviles, con 1.600 bares, con inyectores piezoeléctricos integrados, y bomba de alta presión CP3-CP1H (Regulación de caudal lado admisión).
Tercera generación para vehículos comerciales, con 1.800 bares, con inyectores con válvula electromagnética y bomba de alta presión CP3- 3NH (Unidad de dosificación).
Continuando con la importancia del filtrado de gasoil, puede decirse con respecto a las sustancias contenidas en el mismo (impurezas), que las investigaciones efectuadas en los elementos filtrantes sucios han demostrado que en el gasoil pueden encontrarse partículas de herrumbre, agua, sustancias orgánicas (resinosas), mezclas de fibras, componentes minerales (polvo, arena), y partículas resultantes de la abrasión metálica.
Todas estas impurezas pueden llegar al gasoil en caso de almacenamiento inadecuado del mismo. Los cuerpos extraños duros causan mucho desgaste, en caso de acceder a lugares críticos del sistema de inyección. Las sustancias orgánicas obstruyen rápidamente el material filtrante.
La parafina que podría contener el gasoil puede cristalizarse, en los casos más desfavorables, a cero grados centígrados (0 ºC) 3en forma aproximada. Al seguir bajando la temperatura, estos cristales pueden causar la obstrucción del filtro, y con ello la falta de alimentación. El gasoil recibe en la refinería el agregado de “fluidificantes”, que a veces no son capaces de evitar por completo la cristalización de la parafina, pero que reducen considerablemente la formación de cristales.
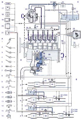
Sistema de inyección Diesel para vehículos industriales con “Common rail” – Bosch. Motor, gestión del motor y componentes del sistema de inyección de alta presión. 22. Bomba de alta presión. 29. Unidad de control del motor. 30. “Common rail”. 31. Sensor de presión. 32. Inyector. 33. Relé. 34. Grupos adicionales (freno motor, ventilador, motor de arranque).35.Motor Diesel.Sensores y transmisores 1.Sensor del pedal acelerador. 2. Interruptor de arranque. 3. Contactos de freno. 4. Contactos de freno motor. 5. Contactos del freno de mano. 6. Interruptor de mando. 7. Llave de arranque - parada. 8. Sensor del régimen del turbo. 9. Sensor del régimen del cigüeñal (inductivo). 10. Sensor del régimen del árbol de levas. 11. Sensor temperatura del gasoil. 12. Sensor temperatura del motor (líquido de enfriamiento). 13. Sensor de temperatura aire de sobrealimentación.14. Sensor de presión de sobrealimentación. 15. Sensor régimen del ventilador. 16. Sensor presión diferencial del filtro de aire. Alimentación de gasoil 23. Bomba de alimentación gasoil. 24. Filtro de gasoil con sensores. 25. Enfriamiento unidad de control. 26. Depósito de gasoil con filtro previo. 27.Válvula limitadora de presión. 28. Sensor nivel de llenado. Suministro de aire 37.Enfriador recirculación gases de escape (EGR). 38. Válvula de mariposa. 39. Regulador de recirculación. 40. Enfriador del aire de sobrealimentación. 41.Turbo TGV con sensor de posición. 42. Regulador presión de sobrealimentación.