Correa 118SP + 300H aplicación motor Maxion

VISTAS 8585


Con la finalidad de informar a los clientes del procedimiento que se debe aplicar en el recambio de la correa DAYCO 118SP+300H del Motor Maxion 2.5 litros detallamos a continuación los siguientes temas:

PROCEDIMIENTO B

MONTAJE DE LA CORREA DE DISTRIBUICIÓN

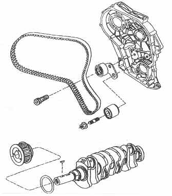
1) Asegurar que las marcas del sincronismo (Ref. A y B) estén correctamente alineadas, que el pino de la herramienta N° 8130633 esté correctamente introducida en la polea de la bomba inyectora (Ref. C) y que la herramienta de sincronismo N° 81306332 este instalada en la carcaza de volante con un pino encajado en el orificio del volante del motor, conforme ilustración C1.

tap-159-correas-118sp-300h-aplicacion-motor-maxion-01

2) Aflojar los tres tornillos de fijación de la polea de la bomba inyectora (Ref. D, Ilustración C), dejando la polea ligeramente floja para permitir el acomodamiento de la correa.

tap-159-correas-118sp-300h-aplicacion-motor-maxion-03

3) Posicionar la correa de distribución sobre las poleas.

4) Presionar levemente el tensor, fijando el tornillo del mismo. Asegure que el tensor este libre de movimiento, es decir, el tornillo flojo, permitiendo libre movimiento, excepto el juego lateral.Utilizando un torquímetro, con un brazo de 250mm máximo, instalar sobre el cuadrado entre las poleas, de giro libre y tensora (Detalle A), aplicar un torque de 9 a 10 Nm, con un torquímetro posicionado vertical, como indica la ilustración D.

5) Reinstale los componentes desmontados en orden inverso a la remoción, apretando los tornillos del aire acondicionada con un torque de 22 a28 Nm. No olvidar de tensar correctamente la correa de aire acondicionado. NOTA: Esta operación debe ser siempre realizada por dos personas, con el fin de evitar cualquier error en el tensado de la correa.

6) Fijar el tornillo del tensor, utilizando un torque de 40 a 50Nm, como lo indicado en la ilustración D.

7) Fijar los 3 tornillos del fijación de la polea de la bomba inyectora, utilizando un torque le 25Nm (Ver ilustración C, Ref. D.).

tap-159-correas-118sp-300h-aplicacion-motor-maxion-02

8) Retirar el torquímetro, el dispositivo de trabado de la bomba inyectora (Ver ilustración C, ref. C) y el dispositivo de trabado del volante.

9) Verificar el sincronismo del motor.

NOTA: Después de aplicado el torque recomendamos que la tensión de la correa sincrónica sea verificada a través del instrumento CLAVIS con 130 a 160Hz, en el punto de la ilustración E.

SISTEMA DE LA DISTRIBUCIÓN DE LA CORREA

2) PERIODO RECOMENDADO PARA EL RECAMBIO DE LA CORREA

Conociendo la severidad en el uso del motor Maxion DAYCO recomienda el reemplazo de la correa sincrónica cada 50.000 km en condiciones de “servicio normal” (entendiendo como servicio normal al que se aplica a todo vehiculo utilitario) y reducir este periodo a 40.000 km cuando se trate de servicios más severos.

tap-159-correas-118sp-300h-aplicacion-motor-maxion-04

BANDA SUPERIOR 130 - 160 HZ (Medir con instrumento CLAVIS)

DAYCO recomienda también tener en cuenta las siguientes prácticas:

1) Si por cualquier razón se desmonta alguna parte del tren de poleas de distribución, al realizar el remontaje este debe ser efectuado SIEMPRE con una correa nueva.

2) Toda vez que se realice un reemplazo de la correa sincrónica se debe SIEMPRE analizar el estado de las poleas: por cuanto una polea con desgaste disminuirá la vida de la correa nueva.

3) Una incorrecta tensión de montaje de correa provocará un desgaste y una reducción de la vida dinámica de la misma.

tap-159-correas-118sp-300h-aplicacion-motor-maxion-05

Seleccione su provincia o ciudad.

captcha
Suscribite a nuestro Newsletter Toda la información que necesitás sobre posventa y mercado automotriz, en tu casilla.
Suscribirme
Seguinos hoy!