Publicado por Vehículos Pesados
El Motor Diesel básico con “Common rail”
La Bomba de alta presión
La bomba de 3 pistones radiales, envía un caudal de gasoil hacia la rampa de inyección o “Common rail”.
La presión de la rampa, está determinada por el regulador de presión integrado a la bomba. Algunas bombas, poseen también un regulador de presión integrado, principalmente cuando la bomba de prealimentación no está sumergida. Actualmente, todas las bombas son de caudal variable gestionadas por el regulador.
El reglaje de la bomba, respecto al árbol de levas es necsario, no solo para sincronizar la inyección con la posición del pistón, sino para optimizar las variaciones de cupla del árbol de levas, con las de las bomba de alta presión. Se limitan así, las tensiones de la correa de distribución. Otra ventaja, es la de sincronizar las pulsaciones de caudal con las aberturas, con los orificios de los inyectores, a fin de disminuir las variaciones de presión.
El excedente de gasoil, retorna al depósito pasando por un enfriador con la finalidad de no elevar demasiado, la temperatura del gasoil en el depósito.
Bomba de alta presión de 3 pistones. El regulador de presión está ubicado en la parte trasera de la bomba. El cilindro 1 es desactivado electricamente, con el lfin de limitar el caudal de salida. La electroválvula 2 deja entonces a la válvula de aspiración abierta.
Bomba de alta presión con bomba de transferencia integrada: 1- Bomba interna de transferencia. 2- Regulador de control volumétrico. 3- Elemento de la bomba de alta presión. 4- Electrovalvula de control de presión. a-Entrada de gasoil. b- Unión de alta presión hacia la rampa. c- Retorno de gasoil.
El regulador de caudal
Este componente está ubicado sobre la bomba de alta presión, y regula la cantidad de gasoil que ingresa. De esta manera, solo el volumen necesario será enviado hacia la rampa de inyección.
Para cada punto de funcionamiento, el caudal a enviar a la bomba de alta presión depende del caudal total inyectado, del caudal de fuga de los inyectores, y de un caudal de seguridad.
El caudal puesto bajo presión, está limitado también. La potencia mecánica necesaria es entonces menos importante.
El retorno de gasoil al depósito estaría reducido, el calentamiento del gasoil, debido a las fuertes variaciones de presión es menor.
El rendimiento global de la instalación, es entonces mejorado. La computadora de inyección, controla al regulador en circuito abierto aplicando una corriente eléctrica, bajo la forma de una Relación Cíclica de Apertura (RCA).
El valor de la corriente, depende del régimen del motor, de la demanda de caudal, y de la demanda de la presión real en el “Common rail”.
El regulador de presión
También se encuentra montado sobre la bomba de alta presión, pero se ubica debajo del circuito. Este componente determina la presión del gasoil en la rampa, en función de los datos de la computadora.
La misma comanda el regulador, en circuito cerrado, aplicando una corriente bajo la forma de RCA. El sensor de presión informa a la computadora para confirmar si los datos son exactos o no.
En caso que exista una diferencia, entre los datos y el valor medido por el sensor, la computadora asegura una corrección en el núcleo del regulador, hasta obtener la presión elegida para el regulador.

Este regulador juega igualmente, el rol de amortiguador de las pulsaciones debido a las variaciones de caudal, provocadas por cada pistón de la bomba y por cada apertura del inyector.
La rampa llamada “rail”, es la reserva del gasoil bajo presión que está disponible para los inyectores.
La Rampa de Inyección
Normalmente llamada “rail”, es la reserva de gasoil bajo presión disponible para los inyectores. El volumén interior de este componente de acero forjado debe ser suficiente para absorber o minimizar, las variaciones de presión durante la apertura de los inyectores.
Esta capacidad sin duda, depende de la cilindrada del motor. Esta rampa debe resister una presión importante, que de acuerdo al sistema está alrededor de los 2.000 bares. Dicha presión, generada por el regulador, es necesaria para favorecer la pulverización del gasoil en microgotas.
Este “Common rail”, posee un sensor de presión de gasoil, y está conectado a cada inyector, a través de un conducto o tubo metálico, capáz de soportar una alta presión.
Los Inyectores
Los mismos en el sistema “Common rail”, poseen varios orificios, y son comandados electricamente por un actuador; es decir por un electgroimán o por un actuador piezoeléctrico. El caudal inyectado por cada inyector depende de lo siguiente;
• El tiempo de inyección
• La presión interior del “rail”
• El caudal hidráulico del inyector, en función de la cantidad de orificios, y de su diámetro
• Del régimen de velocidad del motor
Para adaptar la masa de gasoil a inyectar, la computadora va a modificar dos parámetros; presión de la rampa P, y tiempo de apertura del inyector T. Estos inyectores permiten inyecciones límites, hasta cinco inyecciones por ciclo y por cilindro, con tiempos muy cortos entre cada inyección, tratando de perder la menor energía calorífica posible.

Inyector de comando electromagnético A, e inyector de comando piezoeléctrico B.
Los esfuerzos a vencer, para elevar o levantar la aguja del inyector, son muy elevadas, ya que la máxima presión puede llegar a 2.000 bares. Debido a esta condición, se descubre una apertura de la aguja por presión diferencial comandada. Por medio del actuador, se crea un pequeño caudal de fuga, debajo de la aguja del inyector lo que provoca una caída de presión. La diferencia de presión así creada provoca el levantamiento de la aguja, y autoriza o permite la inyección de gasoil en la cámara de combustión.
La rampa de inyección o “Common rail”, esta compuesta de lo siguiente manera: 1- Conducto de alta presión alos inyectores. 2- Conducto de alta presión de la bomba HP. 3- Sensor de presión del gasoil. 4- “Common rail”.
Para el cierre de la aguja, es necesario cortar la alimentación de gasoil para que la misma tome lugar en su asiento. El conjunto de los inyectores, posee un caudal de fuga entre ellos, que retorna al depósito de gasoil.

Los inyectores permiten inyecciones múltiples, varios “chorros” por ciclo y por cilindro, con tiempos muy cortos entre inyecciones.
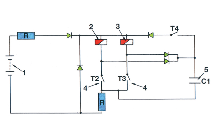
Esquema del principio de control de accionamiento del electroiman: 1- Batería. 2- Bobinado del inyector del cilindro (2-1). 3- bobinado del inyector del cilindro (3-4). 4- Transistor de potencia. 5- Condensador.
Inyectores comandados por electroimán
En este caso, los electroimanes de los inyectores de los cilindros 2 y 3 están vinculados. El comando de los inyectores es realizado por una etapa de potencia compuesta por dos transistores de potencia (4) y un condensador (5). Entre los dos inyecciones, los transistores T2 y T3, se abren y se cierran en forma alternativa debido a pequeños impulsos, de manera de no activar los electroimanes. El transistor T4 se abre.
El condensador C1 se carga de corriente. El mantiene entonces una tensión de 80 volts. En el comando del inyector 2, los transistores T2 y T4 se cierran. El condensador devuelve entonces su energía, al bobinado del inyector 2, pasando por T4 y después por T2. El mantenimiento de corriente en el inyector, es asegurada por estos dos transistores. Con el condensador descargado, la batería asegura la alimentación, gracias a T2.
La apertura de los transistores T2 y T4, es acompañada por la interrupción de corriente en el inyector. El comando de inyección en el cilindro 2 finaliza.
Corriente y Tensión de comando del electroimán
Respecto a la inyección piloto o preinyección, el tiempo de comando es demasiado corto, el inyector no tiene tiempo de tomar su posición de apertura máxima, y solo se abre parcialmente.
Durante la inyección principal, un tiempo superior a las 300 microsegundos permite una apertura completa del inyector. Con el inyector abierto totalmente, la corriente de comando cae levemente. La tensión al comienzo del comando llega a 80 volts. El electroiman es comandado por la computadora.
Detalle del interior de un inyector de comando piezoeléctrico: 1- Raccord o unión de alta presión. 2- Retorno del gasoil. 3- Conexión con la computadora de control del motor (ECU). 4- Accionador piezoeléctrico. 5- Pistón de la válvula. 6- Hongo de la válvula. 7- Pistón de comando. 8- Aguja del inyector. 9- Cámara de alta presión de la aguja. 10- Orificios de inyección.
Para un motor de 4 cilindros, los inyectores 1 y 4 y los inyectores 2 y 3, están conectados a un condensador, con el fin de lograr un beneficio de su carga-descarga. Esto permite obtener valores de tensión de comando de entre 80 y 100 volts. mejorando la apertura del inyector.
La corriente atraviesa la bobina, un desplazamiento de menos de 50 micrones del núcleo del electroiman, determina la caída de presión en la cámara de control. El inyector electromagnético, tendría un tiempo de reacción algo extenso, basicamente debido a la inercia del núcleo de hierro dulce.
En la actualidad, los componentes de los inyectores permiten realizar una apertura rápida.

Motor con sistema “Common rail”, de 4 cilindros, de 1,6 litros TDI y 105 CV de potencia - Audi.
