Protección de Instalaciones Eléctricas en Estaciones de Servicio


Protección de Instalaciones Eléctricas en Estaciones de Servicio

Condiciones de Protección (Según VDE 0165)

Una definida área alrededor del surtidor de Nafta es clasificada como área de riesgo de explosión. Esta zona es definida como un cono con una base cilíndrica centrada alrededor del eje del surtidor.
La altura de esta zona en el eje del surtidor, es como mínimo 0,8 m, con un radio de 5 m y una altura en el perímetro de la circunferencia de 0,25 m.

Si el kiosco de atención al público que se provee de combustible o cualquier otro ambiente son parte o un total dentro de la zona delimitada por el cono, entonces estos ambientes se clasifican como área de riesgo de explosión. (ver figura 1)

Protección de Instalaciones Eléctricas en Estaciones de Servicio

I) El tendido de la Instalación Eléctrica en dicha zona debe considerar:

  1. Cajas de empalmes.
  2. Cables de conexión en la caja.
  3. Interruptores.
  4. Motores.
  5. Luminarias, etc.

Que deben ser apropiados para gases inflamables o vapores (G3) y si están dentro de cajas a prueba de explosión, cumplir con la clase I.

II) Las luminarias instaladas fuera de la zona de riesgo de explosión deben ser a prueba de salpicaduras IP44.

III) Los cables serán con cubierta de malla metálica y esta conectada al conductor de protección (verde-amarillo) en el comienzo o final del cable cables sin cubierta de malla metálica solamente pueden usarse cuando cumplen absolutamente con ser a prueba de combustibles.
Cuando los cables pasan a través de las Fundaciones del surtidor o si se tienden en canales estos deben rellenarse con arena y sellados en ambos extremos para prevenir el derrame de la fuga del combustible.
Solamente conductores a prueba de petróleo en las cajas de conexión pueden ser usados en la fundación de la estación de servicio en la excavación debajo del surtidor de combustible.

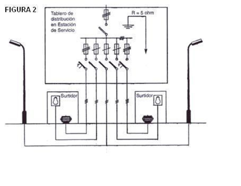
IV ) Cada bomba del surtidor tiene su propio circuito para potencia e iluminación. Ninguna otra instalación eléctrica, por ej: iluminación exterior o del kiosco u otras debe conectarse a aquellos circuitos del surtidor. (ver figura 2)

Protección de Instalaciones Eléctricas en Estaciones de Servicio

Un solo cable, con múltiples conductores debe ser utilizado para la línea de abastecimiento al surtidor, tanto para los motores como para la iluminación e incluyendo el conductor de protección (verde-amarillo).

V ) La interrupción de la corriente, ya de interruptores como de dispositivos de protección de sobre carga, se alojara en tableros de distribución los cuales sean fácilmente accesibles exteriormente a la zona de riego de explosión. Deben estar claramente señalizados con identificaciones durables, los circuitos que protegen y alimentan a la bomba de los surtidores.

VI ) Los motores deben ser protegidos contra excesivo calentamiento, se recomiendan que incorporen protecciones térmicas por sobrecarga.
Todos los equipos dentro de la zona de riesgo debe cumplir con las exigencias de protección contra explosión.

VII ) Un interruptor principal debe ser instalado exteriormente a la zona de riesgo, capaz de interrumpir la Instalación Eléctrica completa en el evento de un peligro.

VIII ) Protecciones adicionales contra contactos indirectos deben ser implementados, los cuales dependerán del sistema de alimentación, pero con sistema de neutro de estrella a tierra y colocando todas las masas al conductor de protección, que se conecta con un sistema de puesta a tierra no superior a 5 ohm. La utilización de un interruptor diferencial no superior a 500 mA. Permite una adecuada protección contra contactos indirectos y riesgos de incendios.

Protección de Instalaciones Eléctricas en Estaciones de Servicio

IX ) Se debe facilitar la medición de la resistencia de aislación a tierra, y ello es posible desconectando el conductor neutro en el tablero de distribución. Ambos conductores, el neutro y el de protección (verde-amarillo) en cada circuito debe ser claramente indicados.

Para más información escribinos a Esta dirección de correo electrónico está siendo protegida contra los robots de spam. Necesita tener JavaScript habilitado para poder verlo.

Fuente: CAMBRE

Seleccione su provincia o ciudad.

captcha
Suscribite a nuestro Newsletter Toda la información que necesitás sobre posventa y mercado automotriz, en tu casilla.
Suscribirme
Seguinos hoy!